
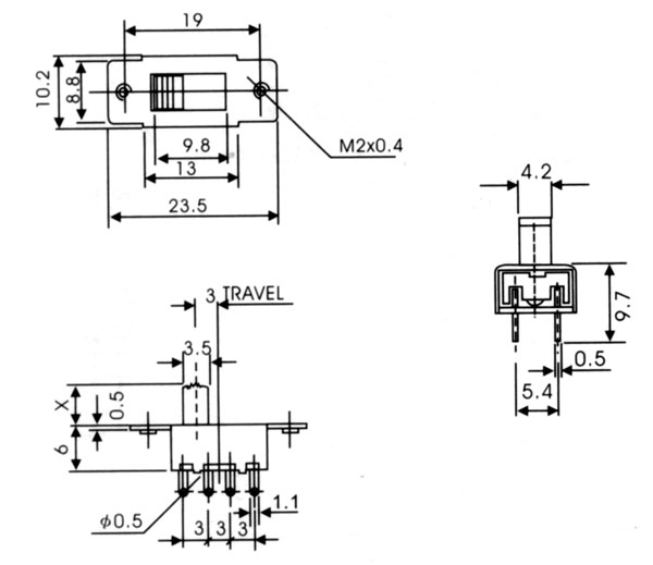
拨动开关|震动开关|滚珠开关|叶片开关|轻触开关生产厂家-颖鑫为你介绍:拨动开关各方面信息
拨动开关厂家电气性能:
1.额定电压:最大24VCD max
2.开关不常切换的额定电流:最大400mA
3.开关经常切换的额定电流:最大150mA
4.绝缘阻抗:最小100mΩ
二、机械性能:
1.电器寿命:10,000 次
2.位数:2档--6档
3.使用温度:-20℃~+70℃
拨动开关厂家用途:
产品广泛用于收音机、玩具、电话、电视机、MP3、等电脑通讯器材、及家用电器等设备。
拨动开关特点:
* 导通性能好;镀镍防氧化;
* 手感好;产品轻小;按触感相当轻快;
* 寿命长;动作寿命100万次以上;
* 防尘性好;防湿、防热性能优;触点设计防异物更可靠;
* 无需焊接,装配方便;
* 外形、键设计均可按客户要求设计、生产
颖鑫电子科技有限公司是一家开发、设计、生产及销售:
各种开关.插座:震动开关、振动开关、弹簧开关、滚珠开关、拨动开关、叶片开关、轻触开关、按键开关、微动开关、
·做货交期:接订单7-15天内
·生产能力:350万颗
·环保标准:ROHS,H.R.4040,ASTMF963,EN71-3,Phthalates,REACH等.
·服务对象:玩具行业,消费电子礼品厂家,家用电器厂家、数码通讯等电子制品
·服务范围:香港,台湾,中国大陆,全国各个地区
上一篇:拨动开关SS-23F33
下一篇:佛山拨动开关SS-23F54